

分類:2BE系列真空泵
咨詢熱線:0533-4681580

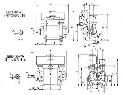
2BEA系列水環真空泵及壓縮機
用途及特點
2BEA系列水環真空泵及壓縮機是我廠在長期科研的基礎上,結合國際先進技術,不斷實踐驗證研制開發的高效節能的新型產品。通常用于抽吸不含固體顆粒、不溶于水、無腐蝕性的氣體,以便在密封的容器中形成真空和壓力。通過結構材料的改變,亦可用于抽吸腐蝕性氣體,腐蝕性液體??蓮V泛用于造紙、化工、石化、輕工、制藥、食品、冶金、建材、電器、洗煤、選礦、化肥等行業。
2BEA系列水環真空泵采用單級作用的結構形式,具有結構簡單、維修方便、高效節能、運行可靠等優點,對關鍵部件泵軸、葉輪、分配板等優化了設計,無論是球鐵葉輪還是沖壓成形的焊結葉輪均經過良好的熱處理,并在過盈熱裝前后,分別進行平衡及動平衡校驗,運轉更加平穩、抗沖擊性更加優良適應了排水量大、載荷沖擊波動等惡劣工況。
2BEA系列水環真空泵、自帶氣水分離器;設有多位置進排氣口,泵蓋上增設了排氣閥檢修窗蓋,裝配和維修更加方便。
2BEA水環式真空泵技術參數:


注:以上所選電機功率可在大多工況下工作。如排氣口壓力較高(0.02~0.05MPa),則應相應加大電機功率;如2BE1真空泵正常工作時軸功率較小,也可選用接近軸功率的電機功率,如此更為節能。
注:水環真空泵的水溫對其性能影響較大,而水環真空泵的性能曲線均為在15℃的水溫條件下測得,因此在實際選用水環真空泵時應對水環真空泵的抽氣速率進行修正。修正方法請參照:水溫對水環真空泵性能的影響。
注:以上所選電機功率可在大多工況下工作。如排氣口壓力較高(0.02~0.05MPa),則應相應加大電機功率;如2BE1真空泵正工作時軸功率較小,也可選用接近軸功率的電機功率,如此更為節能。


